No.104WHB-P スーパーヘビークラスキャスター
| キャスター形状 | 自在プレート型 |
| 本体材質 | 冷間圧延鋼板(SPCC) |
| 表面処理 | 電気亜鉛めっき(光沢クロメート) |
| 車輪材質 | フェノール |
| その他 | ストッパー無し |
●旋回部はパッキング構造(PAT.No.452050)のため、グリスの保有量が多く、長期間保存されますので、防水・防塵・防錆効果は抜群です。
●旋回部品及び、本体は表面硬化(浸炭焼入)がしてありますので、耐久力は絶大です。
●旋回部品及び、本体は表面硬化(浸炭焼入)がしてありますので、耐久力は絶大です。
●低床コンパクトで、当社最高の許容荷重です。
●主軸と上皿(レース)、下皿とを2段カシメにより強固に締着させてありますので、よじれに対して非常に強力です。
●No.100WHB-Pシリーズにストッパー付きのラインナップはございません。
●主軸と上皿(レース)、下皿とを2段カシメにより強固に締着させてありますので、よじれに対して非常に強力です。
●No.100WHB-Pシリーズにストッパー付きのラインナップはございません。
●車輪は特殊合成樹脂車輪で、フェノール樹脂を主原料に住友ベークライト㈱と共同で車輪用に特別開発したものです。
特殊成型法により、耐摩耗・耐衝撃性・耐荷重性は抜群です。
特殊成型法により、耐摩耗・耐衝撃性・耐荷重性は抜群です。
●車輪回転部には全てローラーベアリングを採用、荷重に対する耐久性が高いうえ、車輪回転が円滑です。
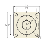
図面 No.104WHB-P スーパーヘビークラスキャスター
製品スペック
- 車輪径 Dmm
- 50㎜
- 車輪幅 Wmm
- 38㎜
- 旋回半径 r㎜
- 39㎜
- 偏心距離 Emm
- 11㎜
- 車輪取付高
Hmm - 79㎜
- 座金寸法
L1mm×L2㎜ - 84㎜×84㎜
- 取付ピッチ
P1㎜×P2㎜ - 64㎜×64㎜
- 取付穴径 dmm
- 8.5㎜
- 取付座厚 t㎜
- 3.2㎜
- 許容荷重 1ヶ当
- 2941N / 300㎏f











