No.104HB2AF-EP ファンクションタイプキャスター
| キャスター形状 | 自在プレート型 |
| 本体材質 | 冷間圧延鋼板(SPCC) |
| 表面処理 | 黒色亜鉛めっき |
| 車輪材質 | エンプラ |
| その他 | アジャスターフット付き |
●車輪とフットが同一部に組み込んであり、同時旋回しますので設置面の状況によりフットの位置が自由に変えられ、また旋回半径がキャスター単体とほとんど変わりません。
●キャスターにてスムーズに移動でき、アジャスターフットにて確実に固定できます。
一体化している為、アジャスターフットの取付工数が省けます。
また機器設置後、簡単に高さ調節ができます。
一体化している為、アジャスターフットの取付工数が省けます。
また機器設置後、簡単に高さ調節ができます。
●耐久力抜群、金属に優る驚異的な耐摩耗性能です。
●弾性が大きく、積載物の衝撃を与えません。
●長期間固定されても、荷重による歪みは残りません。
●騒音がなく、静かで床に損傷を与えません。
●弾性が大きく、積載物の衝撃を与えません。
●長期間固定されても、荷重による歪みは残りません。
●騒音がなく、静かで床に損傷を与えません。
●ホイルハブにアルミ、ブッシュに高性能エンプラを採用し軽量化を実現。
床に優しく車輪回転部にラジアルベアリングを2個使用。
両端支持構造で機動性に優れています。
床に優しく車輪回転部にラジアルベアリングを2個使用。
両端支持構造で機動性に優れています。
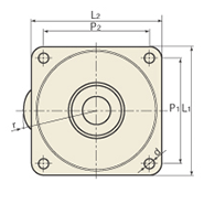
図面 No.104HB2AF-EP ファンクションタイプキャスター
製品スペック
- 車輪径 Dmm
- 50㎜
- 車輪幅 Wmm
- 28㎜
- 旋回半径 r㎜
- 63㎜
- 偏心距離 Emm
- 26㎜/38㎜
- 車輪取付高
Hmm - 70㎜
- 座金寸法
L1mm×L2㎜ - 110㎜×110㎜
- 取付ピッチ
P1㎜×P2㎜ - 90㎜×90㎜
- 取付穴径 dmm
- 8.5㎜
- アジャスターフット外径 D1㎜
- 50㎜
- アジャスター量 h1㎜/h2㎜
- 16㎜/8㎜
- アジャストネジ M
- M.14
- 取付座厚 t㎜
- 2.6㎜
- 許容荷重 1ヶ当
- 2451N / 250㎏f











