No.108S スタンダードクラスキャスター
| キャスター形状 | 自在プレート型 |
| 本体材質 | 冷間圧延鋼板(SPCC) |
| 表面処理 | 電気亜鉛めっき(光沢クロメート) |
| 車輪材質 | NBR(合成ゴム) |
| その他 | ストッパー付き |
旋回半径は、ストッパーON・OFF何れかの最大値になります。
弾性板が制止板より出ている場合はその数値です。
弾性板が制止板より出ている場合はその数値です。
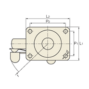
図面 No.108S スタンダードクラスキャスター
製品スペック
- 車輪径 Dmm
- 130㎜
- 車輪幅 Wmm
- 25㎜
- 旋回半径 r㎜
- 105㎜
- 偏心距離 Emm
- 36㎜
- 車輪取付高
Hmm - 150㎜
- 座金寸法
L1mm×L2㎜ - 75㎜×99㎜
- 取付ピッチ
P1㎜×P2㎜ - 56㎜×80㎜
- 取付穴径 dmm
- 8.5㎜
- 取付座厚 t㎜
- 2.9㎜
- 許容荷重 1ヶ当
- 931N / 95㎏f













