No.605-FE スタンダードクラスキャスター
| キャスター形状 | 固定型 |
| 本体材質 | 冷間圧延鋼板(SPCC) |
| 表面処理 | 電気亜鉛めっき(光沢クロメート) |
| 車輪材質 | SPCC(鋼鉄) |
| その他 | ストッパー無し |
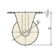
図面 No.605-FE スタンダードクラスキャスター
製品スペック
- 車輪径 Dmm
- 63㎜
- 車輪幅 Wmm
- 24㎜
- 取付板巾 L1㎜
- 51㎜
- 取付板長 L2㎜
- 85㎜
- 車輪取付高
Hmm - 80㎜
- 取付ピッチ
P1㎜×P2㎜ - 36㎜×70㎜
- 取付穴径 dmm
- 6.5㎜
- 取付座厚 t㎜
- 2.3㎜
- 許容荷重 1ヶ当
- 1470N / 150㎏f













